トルクコンバータ、ディスクフリクションクラッチ、ワンウェイクラッチ、ラビニヨ型プラネタリギアを組み合わせた4速ATモデル。
入力端子へは、クラッチ制御信号を接続。
出力端子へは、クラッチの係合状態、インペラー、タービン、出力軸の回転数センサーを接続。
物理量保存端子へは、機械回転系ドメイン信号を接続。
クラッチへ入力される係合圧力を制御することでシフト変更が可能。
トルクコンバータはロックアップクラッチを内蔵しており、係合圧力を制御することでロックアップ状態を模擬可能。
出力端子へは、クラッチの係合状態、インペラー、タービン、出力軸の回転数センサーを接続。
物理量保存端子へは、機械回転系ドメイン信号を接続。
クラッチへ入力される係合圧力を制御することでシフト変更が可能。
トルクコンバータはロックアップクラッチを内蔵しており、係合圧力を制御することでロックアップ状態を模擬可能。
接続方法 :
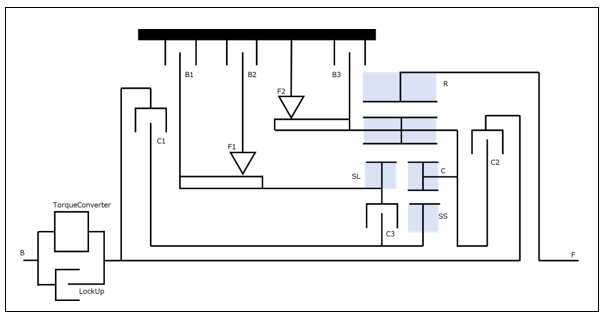
内部構成図 :
本モデルの内部構成
動作環境:
ブロック図:
クラッチ係合表 :
(○:係合)
ソルバー設定:
・グローバルソルバー
- ソルバー:任意
- 演算周期:ローカルソルバーの設定値に依存
・ローカルソルバー
- ソルバー:後退オイラー法
- 演算周期:1 msec
- イタレーション回数:3回
- ソルバー:任意
- 演算周期:ローカルソルバーの設定値に依存
・ローカルソルバー
- ソルバー:後退オイラー法
- 演算周期:1 msec
- イタレーション回数:3回
モデル制約条件 :
- 本モデルは、実機通りの挙動及び挙動精度を模擬または保証するものではない。
- ライブラリフォルダ内のファイル構成を変更した場合、本モデルは動作しない。
- 上記の動作環境、ソルバー設定以外での動作は保証対象外。
- 付属のパラメータセット以外での動作は保証対象外。
- モデル内のLookuptableの設定は、内挿:Linear、外挿:Nearest(最終データ保持)で固定。
- 初期状態では、トルクソース、車両ともに接続するモデルは停止状態とすること。
- ライブラリフォルダ内のファイル構成を変更した場合、本モデルは動作しない。
- 上記の動作環境、ソルバー設定以外での動作は保証対象外。
- 付属のパラメータセット以外での動作は保証対象外。
- モデル内のLookuptableの設定は、内挿:Linear、外挿:Nearest(最終データ保持)で固定。
- 初期状態では、トルクソース、車両ともに接続するモデルは停止状態とすること。
実行方法 :
1. ライブラリがあるフォルダをMATLABカレントディレクトリに設定する。
2. パラメータを読み込む。
3. 実行対象のモデルを開く。
4. モデルを実行する。
2. パラメータを読み込む。
3. 実行対象のモデルを開く。
4. モデルを実行する。
Ver. 1.1.0
for R2021a