Download
Ver. 1.1.0
for R2021a
A four speed AT model that combines a torque converter, disc friction clutch, one-way clutch, Ravigneaux planetary gear.
Connect a clutch control signal to the input terminal.
Connect a clutch engagement condition, impeller, turbine, and output shaft rotation speed sensor to the output terminal.
Connect the mechanical rotation domain signal to the physical conserving port.
The shift position can be changed by controlling the engagement pressure that input to the clutch.
The torque converter has a built-in lockup clutch, and the lockup condition can be simulated by controlling the engagement pressure.
Connect a clutch engagement condition, impeller, turbine, and output shaft rotation speed sensor to the output terminal.
Connect the mechanical rotation domain signal to the physical conserving port.
The shift position can be changed by controlling the engagement pressure that input to the clutch.
The torque converter has a built-in lockup clutch, and the lockup condition can be simulated by controlling the engagement pressure.
How to connect:
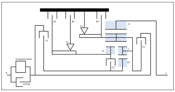
Internal configuration diagram:
The inner structure of this model
Operating environment:
Block diagram:
Clutch engaging table:
(○: Engagement)
Solver settings:
・Global solver
- Solver: Arbitrary
- Sample time: Dependents on the setting value of the local solver
・Local solver
- Solver: Backward Euler method
- Sample time: 1 msec
- Number of iterations: 3 times
- Solver: Arbitrary
- Sample time: Dependents on the setting value of the local solver
・Local solver
- Solver: Backward Euler method
- Sample time: 1 msec
- Number of iterations: 3 times
Model constraints:
- This model does not simulate or guarantee the behavior and behavior accuracy of the actual machine.
- If the file structure in the library folder is changed, this model does not work.
- Operation in other than the above operating environment and solver settings is not covered by the warranty.
- Operation with other than the supplied parameter set is not covered by the warranty.
- Lookup table settings in the model are fixed with Interpolation: Linear and Extrapolation: Nearest (final data retention).
- In the initial state, the model that connects both the torque source and the vehicle shall be in the rest state.
- If the file structure in the library folder is changed, this model does not work.
- Operation in other than the above operating environment and solver settings is not covered by the warranty.
- Operation with other than the supplied parameter set is not covered by the warranty.
- Lookup table settings in the model are fixed with Interpolation: Linear and Extrapolation: Nearest (final data retention).
- In the initial state, the model that connects both the torque source and the vehicle shall be in the rest state.
How to execute:
1. Set the folder containing the library to MATLAB current directory.
2. Read the parameter file.
3. Open the execution target model.
4. Run the model.
2. Read the parameter file.
3. Open the execution target model.
4. Run the model.
Download
Ver. 1.1.0
for R2021a
Ver. 1.1.0
for R2021a