本モデルはCVTガソリン自動車を想定した操舵性能のシミュレーション用プラントモデルである。
車両走行時に路面のスロープ・バンクの影響を考慮し、トー角・キャスター角、変形と緩和によるタイヤ挙動を含めた車両運動性能を計算することができる。
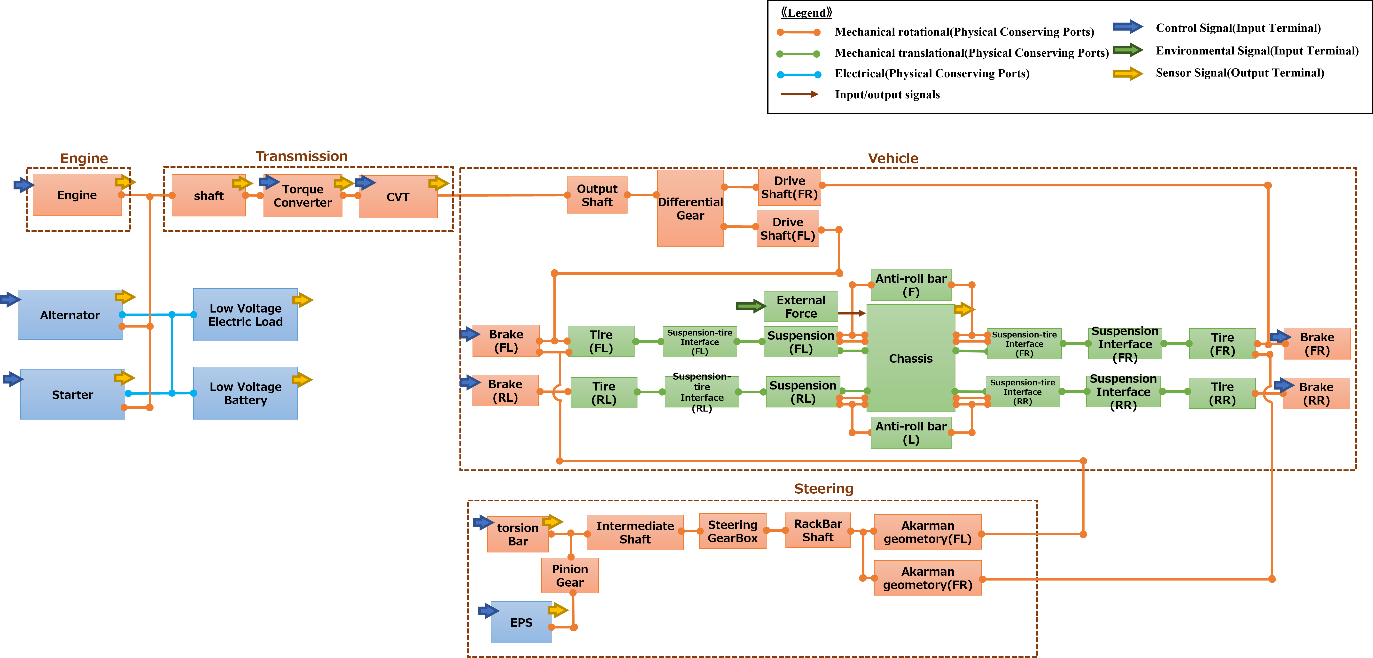
パワートレインはエンジン(排気量 1.5[L])・スターター・オルタネーター・トランスミッション(CVT)・ディファレンシャルギヤ・ブレーキ・車両・低圧バッテリーから構成されている。
パワートレインはエンジン(排気量 1.5[L])・スターター・オルタネーター・トランスミッション(CVT)・ディファレンシャルギヤ・ブレーキ・車両・低圧バッテリーから構成されている。
信号一覧:
・制御信号
スロットル開度、アイドリングストップフラグ、
フューエルカットフラグ、MBTからの点火タイミング、
CVT プーリー比、トルクコンバータのロックアップ指示フラグ、
ブレーキ開度(4輪)、目標モータートルク、
ドライバーのステアリング操作トルク、
スターター作動フラグ、オルタネーター目標電圧
・環境信号
道路勾配 (スロープ角、バンク角)、風速
・センサー信号
エンジン回転数、トランスミッション出力回転数、
低圧バッテリーSOC、トーションバートルク、
ステアリング角速度、EPSモーター角速度、
車速、ヨーレート
スロットル開度、アイドリングストップフラグ、
フューエルカットフラグ、MBTからの点火タイミング、
CVT プーリー比、トルクコンバータのロックアップ指示フラグ、
ブレーキ開度(4輪)、目標モータートルク、
ドライバーのステアリング操作トルク、
スターター作動フラグ、オルタネーター目標電圧
・環境信号
道路勾配 (スロープ角、バンク角)、風速
・センサー信号
エンジン回転数、トランスミッション出力回転数、
低圧バッテリーSOC、トーションバートルク、
ステアリング角速度、EPSモーター角速度、
車速、ヨーレート
※ 本モデルは、MBD推進センター発行の「自動車開発におけるプラントモデルIFガイドライン」の事例モデルの
制御部と接続可能なプラントモデルとなっている。
制御部と接続可能なプラントモデルとなっている。
※ 本モデルにおける車両座標系は、車両前方をx軸正方向、車両左方をy軸正方向、車両上方をz軸正方向とする。また、ロール、ピッチ、ヨーはそれぞれ上記x, y, z軸について右ねじの方向を正とする。
接続方法 :
内部構成図 :
動作環境 :
ブロック図 :
ソルバー設定 :
・グローバルソルバー
- ソルバー:任意
- 演算周期:ローカルソルバーの設定値に依存
・ローカルソルバー
- ソルバー:後退オイラー
- 演算周期:1 msec
- イタレーション回数:3回
- ソルバー:任意
- 演算周期:ローカルソルバーの設定値に依存
・ローカルソルバー
- ソルバー:後退オイラー
- 演算周期:1 msec
- イタレーション回数:3回
モデル制約条件 :
- 本モデルは、実機通りの挙動及び挙動精度を模擬または保証するものではない。
- ライブラリフォルダ内のファイル構成を変更した場合、本モデルは動作しない。
- 上記の動作環境、ソルバー設定以外での動作は保証対象外。
- 付属のパラメータセット以外での動作は保証対象外。
- 初期状態は、水平な路面に停車しており、姿勢角はすべてゼロである。
- ライブラリフォルダ内のファイル構成を変更した場合、本モデルは動作しない。
- 上記の動作環境、ソルバー設定以外での動作は保証対象外。
- 付属のパラメータセット以外での動作は保証対象外。
- 初期状態は、水平な路面に停車しており、姿勢角はすべてゼロである。
実行方法 :
1. モデルファイルがあるフォルダへMATLABカレントディレクトリを移動する。
2. パラメータファイルを実行する。
3. モデルファイルを開く。
4. モデルを実行する。
2. パラメータファイルを実行する。
3. モデルファイルを開く。
4. モデルを実行する。
Ver. 1.0.0
for R2021a